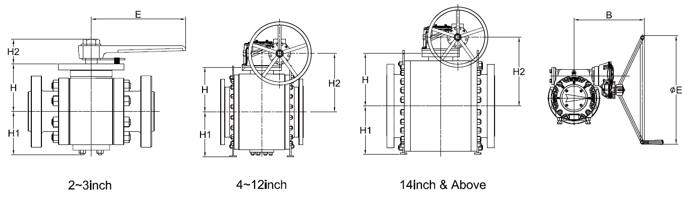
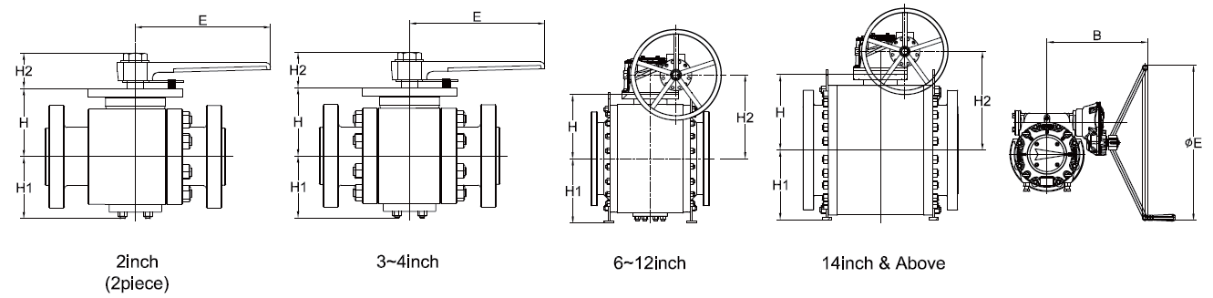
TRUNNION BALL VALVES
Three-piece, Side-Entry Designm Full Port (12” & Under)
Three-piece, Side-Entry Designm Full Port (14” & Above)
Three-piece, Side-Entry Designm Full Port (12” & Under)
Three-piece, Side-Entry Designm Full Port (14” & Above)